| Author |
Message |
|
Jim Phillips (brainfiller)
|
Post subject: Modeling Bay-O-Net Fuses in Pad Mount Transformer Posted: Sun Jan 29, 2017 5:23 pm |
|
| Plasma Level |
 |
Joined: Mon Sep 17, 2007 5:00 pm Posts: 1736 Location: Scottsdale, Arizona
|
|
This weeks question was submitted by one of the Arc Flash Forum members.
If a pad mount transformer has Bay-O-Net Fuses, do you model them in the arc flash study?
Yes No
I imagine there may be a few comments about this one.
If you have a question that you would like to see as the "Question of the Week", send it in!
|
|
| Top |
|
 |
|
bbaumer
|
Post subject: Re: Modeling Bay-O-Net Fuses in Pad Mount Transformer Posted: Mon Jan 30, 2017 6:32 am |
|
| Arc Level |
 |
Joined: Fri Jul 08, 2016 10:01 am Posts: 488 Location: Indiana
|
|
Yes. About 100 times over. Sometimes it makes a difference on the incident energy on the secondary and get it from Danger down to Level 4 from changing fuses, even if the tank doesn't have current limiting fuses in it, only bay-o-nets. We have our entire college campus modeled in SKM from our substations to each building and have about 80% of our buildings modeled. I'll try going from Cooper 358 series to 353's or some other selection when modeling to see if I can get the energy down to level 4 so we can take oil samples without shutting down the transformers. If we can improve the protection we change out the fuses.
_________________ SKM jockey for hire PE in 17 states
|
|
| Top |
|
 |
|
JBD
|
Post subject: Re: Modeling Bay-O-Net Fuses in Pad Mount Transformer Posted: Mon Jan 30, 2017 8:14 am |
|
Joined: Mon Jan 18, 2010 11:35 am Posts: 609 Location: Wisconsin
|
bbaumer wrote: If we can improve the protection we change out the fuses. I agree. It seems most of the manufacturer's selection tables are about keeping the transformer 'on-line' as long as possible, this makes sense from a utility standpoint where the transformer may be feeding multiple secondary customers. For customer owned installations there can be a reasonable improvement in Arc Flash Incident Energy levels if you are willing to investigate alternative fusing.
|
|
| Top |
|
 |
|
wilhendrix
|
Post subject: Re: Modeling Bay-O-Net Fuses in Pad Mount Transformer Posted: Mon Jan 30, 2017 9:39 am |
|
Joined: Tue Jan 19, 2010 2:35 pm Posts: 175
|
|
We do, if we are provided the information. Often a utility does not have, or does not want to give that information out. I agree, utilities concern themselves with keeping the power on, not with secondary incident energy. I understand their reasons. They're supposed to provide reliable power. Outages reflect poorly on their reliability and cost them revenue.
|
|
| Top |
|
 |
|
PaulEngr
|
Post subject: Re: Modeling Bay-O-Net Fuses in Pad Mount Transformer Posted: Mon Jan 30, 2017 2:16 pm |
|
| Plasma Level |
 |
Joined: Tue Oct 26, 2010 9:08 am Posts: 2178 Location: North Carolina
|
|
Reading between the lines, the question sounds like the person asking the question was thinking that you don't model something that you don't work on while energized. The fallacy is the understanding that the incident energy is determined by the equipment "upstream" (closer to the power source) of the work site. So if it's available, you model the transformer as this determines the incident energy of the downstream equipment. So even though the transformer itself may never get worked on, it does determine the incident energy of downstream equipment assuming that it coordinates well with the downstream loads.
The only weakness in this argument is that in most cases we reach a point where we reach the line of demarcation between the utility and the customer. At that point we often have to model the utility with a very broad model (maybe only a stated available bolted fault current) without much of any detail.
|
|
| Top |
|
 |
|
wbd
|
Post subject: Re: Modeling Bay-O-Net Fuses in Pad Mount Transformer Posted: Mon Jan 30, 2017 3:32 pm |
|
| Plasma Level |
 |
Joined: Wed May 07, 2008 5:00 pm Posts: 881 Location: Rutland, VT
|
PaulEngr wrote: Reading between the lines, the question sounds like the person asking the question was thinking that you don't model something that you don't work on while energized. No I wasn't thinking that at all. I was curious to see how many people use the transformer Bay-O-Net fuse, if txf is so equipped, in the models to determine the incident energy at the secondary switchgear/switchboard. I always request this information from the utility along with the riser fuse or protective device. If the transformer is customer owned, we get the information from the nameplate.
_________________ Barry Donovan, P.E. www.workplacesafetysolutions.com
|
|
| Top |
|
 |
|
PaulEngr
|
Post subject: Re: Modeling Bay-O-Net Fuses in Pad Mount Transformer Posted: Mon Jan 30, 2017 6:35 pm |
|
| Plasma Level |
 |
Joined: Tue Oct 26, 2010 9:08 am Posts: 2178 Location: North Carolina
|
|
Two of my former employers don't quite fit the assumption. One is fed from the transmission system of Duke Power (largest utility in the country). At 230 kV though and spacing that vastly exceeds the limitations of ArcPro there's no really good way to model it right now. The other one was fed from a "distribution" line but at 26 kV from PSE&G in New Jersey and same kind of situation...fed from a network with a lot of ties between the different substations so we kind of had to take some things almost on faith. The third I wasn't involved in power modelling for but I know for certain that they had a radial feeder fed almost directly from a transformer owned by Kentucky Utility. And the current employer has something similar on one of their two incoming lines and in these two cases the concept fits quite well.
|
|
| Top |
|
 |
|
JKlessig
|
Post subject: Re: Modeling Bay-O-Net Fuses in Pad Mount Transformer Posted: Tue Jan 31, 2017 10:07 am |
|
Joined: Mon Jun 07, 2010 9:40 am Posts: 119
|
|
In my opinion, you need to, if you possibly can. As others have said, if it is a utility XF, you usually won't get information for it. Only part of the job is calculating IE, an other part is coordination.
As far as oil sampling goes, one really has to ask, WHY? in this day and age, is the access to the equipment needed to sample oil (sample valve, drain valve, vent/gas port, pressure gauge, and level gauge, {or what ever part of that any given XF has}) are not in a separate compartment, or at least brought to the front of the XF.
The "traditional" standard placement of the drain & sample valve buries it behind the secondary conductors for distribution transformers. This makes it darn near impossible to access at all, much less safely while energized.
|
|
| Top |
|
 |
|
bbaumer
|
Post subject: Re: Modeling Bay-O-Net Fuses in Pad Mount Transformer Posted: Tue Jan 31, 2017 10:48 am |
|
| Arc Level |
 |
Joined: Fri Jul 08, 2016 10:01 am Posts: 488 Location: Indiana
|
JKlessig wrote: In my opinion, you need to, if you possibly can. As others have said, if it is a utility XF, you usually won't get information for it. Only part of the job is calculating IE, an other part is coordination.
As far as oil sampling goes, one really has to ask, WHY? in this day and age, is the access to the equipment needed to sample oil (sample valve, drain valve, vent/gas port, pressure gauge, and level gauge, {or what ever part of that any given XF has}) are not in a separate compartment, or at least brought to the front of the XF.
The "traditional" standard placement of the drain & sample valve buries it behind the secondary conductors for distribution transformers. This makes it darn near impossible to access at all, much less safely while energized. RE: Oil sampling, I'm too lazy to look it up at the moment but I'm sure we have over 100 oil filled pad mounts on campus. When we buy new ones we do use remote valves. We have also retrofitted a fair number of the old ones. There are still a lot to do though. It takes time and money and most of all the ability to schedule outages.
_________________ SKM jockey for hire PE in 17 states
|
|
| Top |
|
 |
|
PaulEngr
|
Post subject: Re: Modeling Bay-O-Net Fuses in Pad Mount Transformer Posted: Wed Feb 01, 2017 10:55 am |
|
| Plasma Level |
 |
Joined: Tue Oct 26, 2010 9:08 am Posts: 2178 Location: North Carolina
|
|
All the manufacturers CAN put the oil drain line/sample line outside of the termination cabinet. The reason that they don't is because 90% of the business is with utilities. The utilities want a vault style access at the front of the enclosure and they want everything locked behind a door with a pentagon bolt and a padlock with nothing for Joe Q. Public to mess up if they get into the substation or especially if it's feeding a neighborhood. That means the gauges and the valve go INSIDE the cabinet.
You can order it the other way...with the oil line outside the enclosure. You just have to ask for it. It will be an "engineered" design that way but generally they don't soak you on the pricing for an almost cost-neutral change. That's my experience at least with Cooper, ABB, Vantran, and Howard.
It's also just plumbing fittings so as mentioned you can just extend the line yourself if you want to but it sort of requires pumping down the transformer most of the time to avoid losing a lot of oil in the process.
|
|
| Top |
|
 |
|
bbaumer
|
Post subject: Re: Modeling Bay-O-Net Fuses in Pad Mount Transformer Posted: Wed Feb 01, 2017 1:06 pm |
|
| Arc Level |
 |
Joined: Fri Jul 08, 2016 10:01 am Posts: 488 Location: Indiana
|
PaulEngr wrote: All the manufacturers CAN put the oil drain line/sample line outside of the termination cabinet. The reason that they don't is because 90% of the business is with utilities. The utilities want a vault style access at the front of the enclosure and they want everything locked behind a door with a pentagon bolt and a padlock with nothing for Joe Q. Public to mess up if they get into the substation or especially if it's feeding a neighborhood. That means the gauges and the valve go INSIDE the cabinet.
You can order it the other way...with the oil line outside the enclosure. You just have to ask for it. It will be an "engineered" design that way but generally they don't soak you on the pricing for an almost cost-neutral change. That's my experience at least with Cooper, ABB, Vantran, and Howard.
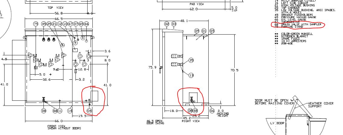
It's also just plumbing fittings so as mentioned you can just extend the line yourself if you want to but it sort of requires pumping down the transformer most of the time to avoid losing a lot of oil in the process. This is a pretty accurate assessment in my experience too. We have mostly Cooper pad mounts, then ABB then a host of others. Some of ours are old enough that they contained PCB's at one point in time. We've had them pumped out and the oil replaced but we still have to monitor them for it (PCB's) as it is impossible to get 100% of the old oil out. We also have the typical dissolved gas analysis done too of course. The oil in 90%+ of ours was tested for years without shutting them down and with the valve inside the cabinet. It's only been in the last couple of years that the company we use to test became arc flash aware and will no longer will pull a sample without either a remote port or the transformer shut down. That's when we started to order new ones with the lockable remote valve box and began to go back and retrofit the existing ones. The adder is peanuts compared to the cost of the transformer. We also typically use EnviroTEMP or equivalent vegetable oil on the new ones. We have lots though with R-Temp. Oh - "back in the day" (i.e. several years ago) the testing company pulled a sample from a set of 3 single phase oil filled cans (wired for 3 phase) we had in a vault by drilling a hole in the side of each tank WHILE ENERGIZED and thought nothing of it. Said they "did it all the time". Attachment:
Oil Sample Valve.JPG [ 83.95 KiB | Viewed 10571 times ]
_________________ SKM jockey for hire PE in 17 states
|
|
| Top |
|
 |
|
engrick
|
Post subject: Re: Modeling Bay-O-Net Fuses in Pad Mount Transformer Posted: Mon Feb 06, 2017 7:55 am |
|
Joined: Fri Apr 15, 2011 7:43 am Posts: 179 Location: Colorado
|
|
We model the fuse if we have the information. The buried fuse if generally sized just below tank rupture and is intended for XFMR protection not system protection. It may show some protection in arc flash but an upstream fuse should do much better.
|
|
| Top |
|
 |
|
jimmyjunior
|
Post subject: Re: Modeling Bay-O-Net Fuses in Pad Mount Transformer Posted: Fri Feb 10, 2017 2:50 am |
|
Joined: Thu Apr 02, 2015 11:39 pm Posts: 2 Location: New Jersey
|
|
I work at a Federal Government Agency in Southern NJ that has a big campus style facility with MV distribution above and below ground. We model all our xformers with associated Bay-O-Net fuses.
jimmyjunior
|
|
| Top |
|
 |
|
Page 1 of 1
|
[ 13 posts ] |
|
|
You cannot post new topics in this forum You cannot reply to topics in this forum You cannot edit your posts in this forum You cannot delete your posts in this forum You cannot post attachments in this forum
|
|